Abstract
To address the issues of insufficient low-frequency damping and high-frequency stiffening in magnetorheological mount systems, this paper proposes a novel mount structure combining a bell plate with a squeeze model. Through establishing a lumped parameter model, conducting magnetic field simulations using Ansys, and integrating dynamic characteristic analysis, the study concludes that: 1) The bell plate structure significantly reduces high-frequency dynamic stiffness by 35.89 %, effectively suppressing high-frequency stiffening; 2) The squeeze channel markedly enhances low-frequency dynamic stiffness and loss angle, thereby resolving the issues of insufficient low-frequency damping and stiffness.
Highlights
- A single-orifice plate structure is proposed to effectively address the issue of high-frequency stiffening in the mount;
- An squeeze operating mode is adopted to improve the low-frequency damping and address the issue of insufficient stiffness in the magnetorheological fluid mount;
- The magnetorheological fluid mount designed with the bell plate structure combined with the squeeze operating mode can achieve broad-band vibration isolation for the system.
1. Introduction
In industries such as automotive and aerospace, vibration control is crucial. Traditional passive hydraulic mounts struggle to adapt to complex operating conditions [1, 2], whereas active mounts are limited by high costs and significant energy consumption [3]. As a semi-active mount system, magnetorheological fluid mount offers advantages such as fast response, low power consumption, and high output force, making it an ideal solution for broadband vibration isolation. In the absence of a magnetic field, magnetorheological fluid exhibits Newtonian fluid behavior; when a magnetic field is applied, the particles form chain-like structures, generating a controllable yield stress that enables a rapid transition in the fluid’s state [4].
There is already a systematic research framework for the design and modeling of magnetorheological fluid-based vibration-damping devices, as outlined in the review by Zhu [3]. However, the dynamic performance of such damping devices depends not only on the magnetorheological fluid itself but is also closely related to the dynamic behavior of the supporting structure and the identification methods used. Lin proposed a controllable multi-inertial-channel mount to improve low-frequency dynamic characteristics [5]; Phu combined flow and shear modes to mitigate fluid blockage [6]. In recent years, structural dynamic identification techniques based on vibration measurements have provided powerful tools for understanding the response characteristics of flexible systems. For example, Rizzo’s [7] study on the response of a wind-induced structure and Rizzo’s [8] interpretation of system dynamics through modal parameter extraction both provide a methodological foundation for the analysis of the dynamic behavior of the bell-shaped plate-magnetorheological fluid coupled system in this paper. Furthermore, research has confirmed that structural modifications can significantly alter the system’s dynamic response [9], and targeted structural design is key to enhancing the performance of magnetorheological devices [7]. Despite advances in structural design, magnetorheological fluid mounts still commonly face issues of insufficient low-frequency damping and a sharp increase in high-frequency dynamic stiffness (“high-frequency stiffening”). To address this, this paper proposes a magnetorheological fluid mount that integrates a bell plate with a squeeze mode, aiming to enhance low-frequency damping, suppress high-frequency stiffening, and improve broadband vibration isolation performance.
2. Magnetorheological fluid mount design
2.1. Magnetorheological fluid mount structure
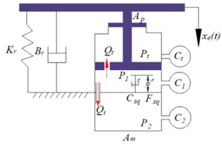
Fig.1 depicts the proposed bellplate combination squeeze mode of the magnetorheological mount. Fig. 1(a) shows a two-dimensional plan view, while Fig. 1(b) presents the physical structural model.
Fig. 1Bell plate assembly compression mode magnetorheological mount

a) 2D plan view

b) Physical structure
As shown in Fig. 1, the magnetorheological mount primarily consists of the following components: rubber main spring, upper fluid chamber, inertia channel, lower fluid chamber, rubber base plate, bell plate, squeeze plate, and squeeze-mode magnetic core assembly. The rubber main spring provides static stiffness and damping to support the engine’s static load. Both the upper and lower fluid chambers are filled with magnetorheological fluid.
To facilitate subsequent modeling and analysis, key parameters for each major component and fluid domain are defined as follows: The stiffness and damping of the rubber main spring are denoted as and , respectively; the flexibilities of the upper and lower fluid chambers are and , with internal pressures and ; the equivalent cross-sectional area of the upper chamber is . The inertia coefficient and damping coefficient of the inertia channel are represented as and , respectively, with flow rate through this channel. The flow rate through the bell plate channel is denoted as , with the equivalent cross-sectional area of the bell plate being . The flexibility of the bell plate chamber is , and the internal pressure within the bell plate chamber is . Additionally, the viscous damping coefficient and Coulomb damping force in the squeezing mode are denoted as and , respectively. The parameter values for the magnetic rheological mount structure in the combined squeezing mode of the bell plate assembly are referenced from [10].
2.2. Working principle of magnetorheological mount
When externally excited, the magnetorheological mount generates pressure differentials between fluid chambers, driving the fluid to flow back and forth within inertial channels. Vibration energy is dissipated through fluid friction and shear forces, providing a damping effect. The bottom rubber diaphragm undergoes elastic deformation to compensate for volume changes, serving as an energy reservoir and buffer. Simultaneously, applying current to the electromagnetic coil modulates the magnetic field, altering the MR fluid's yield stress. This enables real-time adjustment of damping force to meet vibration isolation demands across diverse low-frequency engine operating conditions. To address the “high-frequency hardening” phenomenon at high frequencies and small amplitudes, the bell plate within the structure incorporates groove or channel designs to enhance turbulence and local resistance. This disrupts the flow stream, dissipates high-frequency energy, suppresses fluid resonance, effectively broadens the vibration isolation frequency band, and improves high-frequency performance.
3. Magnetic field analysis and mathematical model derivation
3.1. Magnetic field analysis
Through finite element simulation analysis of the magnetic circuit in a composite magnetic rheological mount with bell plate-squeeze mode, the magnetic field distribution under a 2.0 A excitation current was obtained. The simulation indicates that the magnetic flux density distribution within the squeeze channel is uniform, with a maximum magnetic flux density of 0.78 T in the working region. This result validates the rationality of the magnetic circuit design, confirming its ability to provide an effective working magnetic field for the magnetic rheological fluid.
Table 1Squeeze channel dimensions
Structure name | Design dimensions | Unit |
Radius of the squeeze plate | 0.025 | m |
Squeeze gap | 3×10-3 | m |
Fig. 2Magnetic field simulation of the squeeze channel

a) Contour plot

b) Magnetic flux density
3.2. Derivation of mathematical models
Based on the physical model shown in Fig. 1(b) and employing the lumped parameter approach, a mathematical model for the magnetorheological mount in the combined squeeze mode of the bell plate assembly can be derived. See Eqs. (1-4) for details:
The momentum equation for the inertial channel is:
Among these, and represent the local resistance coefficients of the fluid inlet and outlet inertial channels, respectively; denotes the flow velocity of the magnetorheological fluid through the inertial channel; is the density of the magnetorheological fluid; and is the viscosity of the magnetorheological fluid.
The vibration force transmitted from the vehicle engine to the body via the magnetorheological fluid mount is:
where, is the damping coefficient resulting from the compression action, and is the controllable damping force in the compression mode.
4. Dynamic characteristics analysis
By combining Eqs. (1-4), the dynamic characteristics of the magnetorheological mount under the combined bell plate squeeze mode can be calculated, as illustrated in Fig. 3. Fig. 3 compares the variation of the mount system’s dynamic stiffness (unit: N/mm) and loss angle (unit: deg) with respect to the excitation frequency (, unit: Hz) for configurations with and without a bell plate. The dynamic stiffness characterizes the instantaneous stiffness of the mount under dynamic loads, while the loss angle reflects its energy-damping capability.
Fig. 3Effect of bell plate presence on mount dynamic characteristics

a) Dynamic stiffness

b) Loss angle
Fig. 3 shows that the bell plate structure has no significant effect on the dynamic characteristics (including dynamic stiffness and loss angle) of the mount system in the low-frequency range (0-5 Hz). However, in the high-frequency excitation range, the presence of the bell plate significantly mitigates the “high-frequency stiffening” phenomenon of the mount. Specifically, the dynamic stiffness of the mount with the bell plate structure is significantly lower than that of the structure without the bell plate, and the damping effect becomes increasingly pronounced as the frequency increases. For example, at 23 Hz, the dynamic stiffness of the structure with the bell plate is 561.4 N/mm, lower than the 579.5 N/mm of the structure without the bell plate; when the frequency rises to 200 Hz, the difference between the two further widens, with dynamic stiffness values of 367.1 N/mm and 572.6 N/mm, respectively. This indicates that the bell plate effectively reduces dynamic stiffness at high frequencies through high-frequency decoupling, thereby enhancing the high-frequency vibration isolation performance of the mount.
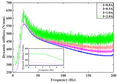
Fig. 4 illustrates the effect of different current levels on the dynamic characteristics of a magnetorheological fluid mount in a combined extrusion mode using a bell plate.
As shown in Fig. 4, both the dynamic stiffness and the loss angle of the mount exhibit a significant upward trend as the control current increases. In the quasi-static region, the dynamic stiffness gradually increases from 253.5 N/mm at 0 A to 355.3 N/mm at 2 A. At the first resonance peak, the dynamic stiffness rises from 561.8 N/mm at 0 A to 660.9 N/mm at 2 A; At the same time, the loss angle also increases from 38.41 Deg to 53.89 Deg, a marked increase. The results indicate that increasing the excitation current can effectively enhance the dynamic stiffness and damping characteristics of the magnetorheological fluid mount in the low-frequency range, thereby improving its load-bearing capacity and energy dissipation performance under low-frequency, high-amplitude conditions.
Fig. 4Effect of different current magnitudes on the dynamic characteristics of the mount system

a) Dynamic stiffness

b) Loss angle
5. Conclusions
This paper proposes a throttling-disc-equipped extrusion-type magnetorheological fluid mount designed to address the issues of insufficient low-frequency damping and high-frequency stiffening in conventional mounts. Its dynamic characteristics were analyzed through structural design, magnetic field simulation, and lumped-parameter modeling. The results indicate that the throttling-disc structure effectively suppresses high-frequency stiffening; adjusting the excitation current significantly improves low-frequency dynamic stiffness and loss angle, thereby achieving wide-band adjustable damping. The significance of this study lies in the fact that this plate-disc extrusion design provides a feasible technical approach to simultaneously resolve the inherent contradiction between “low-frequency damping” and “high-frequency stiffening” in magnetorheological fluid mounts. It holds significant engineering value for improving the NVH (Noise, Vibration, and Harshness) performance of automobiles under various operating conditions, including start-stop, idling, and high-speed driving.
References
-
Z. K. Kocabıçak and Z. Açar, “Optimal hydraulic engine mount parameters using design of experiment (DoE) and response surface methodology,” Materials Testing, Vol. 67, No. 4, pp. 728–736, Apr. 2025, https://doi.org/10.1515/mt-2024-0422
-
Z. Lin, Y. Chen, M. Wu, and F. Zheng, “Analysis of the influence of the interaction between decoupled membrane channels and inertial channels on the mount’ characteristics,” Journal of Vibroengineering, Vol. 26, No. 1, pp. 1–17, Feb. 2024, https://doi.org/10.21595/jve.2023.22860
-
X. Zhu, X. Jing, and L. Cheng, “Magnetorheological fluid dampers: A review on structure design and analysis,” Journal of Intelligent Material Systems and Structures, Vol. 23, No. 8, pp. 839–873, Mar. 2012, https://doi.org/10.1177/1045389x12436735
-
S. Chen, R. Li, P. Du, H. Zheng, and D. Li, “Parametric modeling of a magnetorheological engine mount based on a modified polynomial Bingham model,” Frontiers in Materials, Vol. 6, pp. 68–82, Apr. 2019, https://doi.org/10.3389/fmats.2019.00068
-
Z. Lin and M. Wu, “Dynamic characterization of controlled multi-channel semi-active magnetorheological fluid mount,” Mechanical Sciences, Vol. 12, No. 2, pp. 751–764, Aug. 2021, https://doi.org/10.5194/ms-12-751-2021
-
D. X. Phu, K. Shah, and S.-B. Choi, “A new magnetorheological mount featured by changeable damping gaps using a moved-plate valve structure,” Smart Materials and Structures, Vol. 23, No. 12, p. 125022, Dec. 2014, https://doi.org/10.1088/0964-1726/23/12/125022
-
F. Rizzo, “Investigation of the Time dependence of wind-induced aeroelastic response on a scale model of a high-rise building,” Applied Sciences, Vol. 11, No. 8, p. 3315, Apr. 2021, https://doi.org/10.3390/app11083315
-
A. M. Avossa, D. Di Giacinto, P. Malangone, and F. Rizzo, “Seismic retrofit of a multispan prestressed concrete girder bridge with friction pendulum devices,” Shock and Vibration, Vol. 2018, No. 1, Mar. 2018, https://doi.org/10.1155/2018/5679480
-
F. Rizzo et al., “Construction and dynamic identification of aeroelastic test models for flexible roofs,” Archives of Civil and Mechanical Engineering, Vol. 23, No. 1, pp. 16–29, Oct. 2022, https://doi.org/10.1007/s43452-022-00545-y
-
Z. Lin, Y. Chen, M. Wu, and F. Zheng, “New bell plate controlled multi-inertia channel magnetorheological fluid mount wide frequency vibration isolation control study,” Journal of Intelligent Material Systems and Structures, Vol. 35, No. 8, pp. 775–788, Feb. 2024, https://doi.org/10.1177/1045389x241233352
About this article
Fujian Provincial Middle-aged and Young Teachers Education and Scientific Research Project (No. JAT220459).
The datasets generated during and/or analyzed during the current study are available from the corresponding author on reasonable request.
The authors declare that they have no conflict of interest.